NRTBBX ZRTBBX 66KV高压无功补偿成套装置 66KV并联电容器成套 66KV户外电容器成套
1.装置用于户内或户外;
2.安装运行地区的海拔高度不超过2000m(高海拔、特殊地域或地区可商定订做);
3.周围空气温度为-40℃~+45℃(特殊环境可商定);
4.空气相对湿度不大于85%(20℃时);
5.无有害气体及蒸汽,无导电性或爆炸性尘埃等;
6.安装场所应无剧烈的机械振动和颠簸;
7.抗震设防烈度8度。
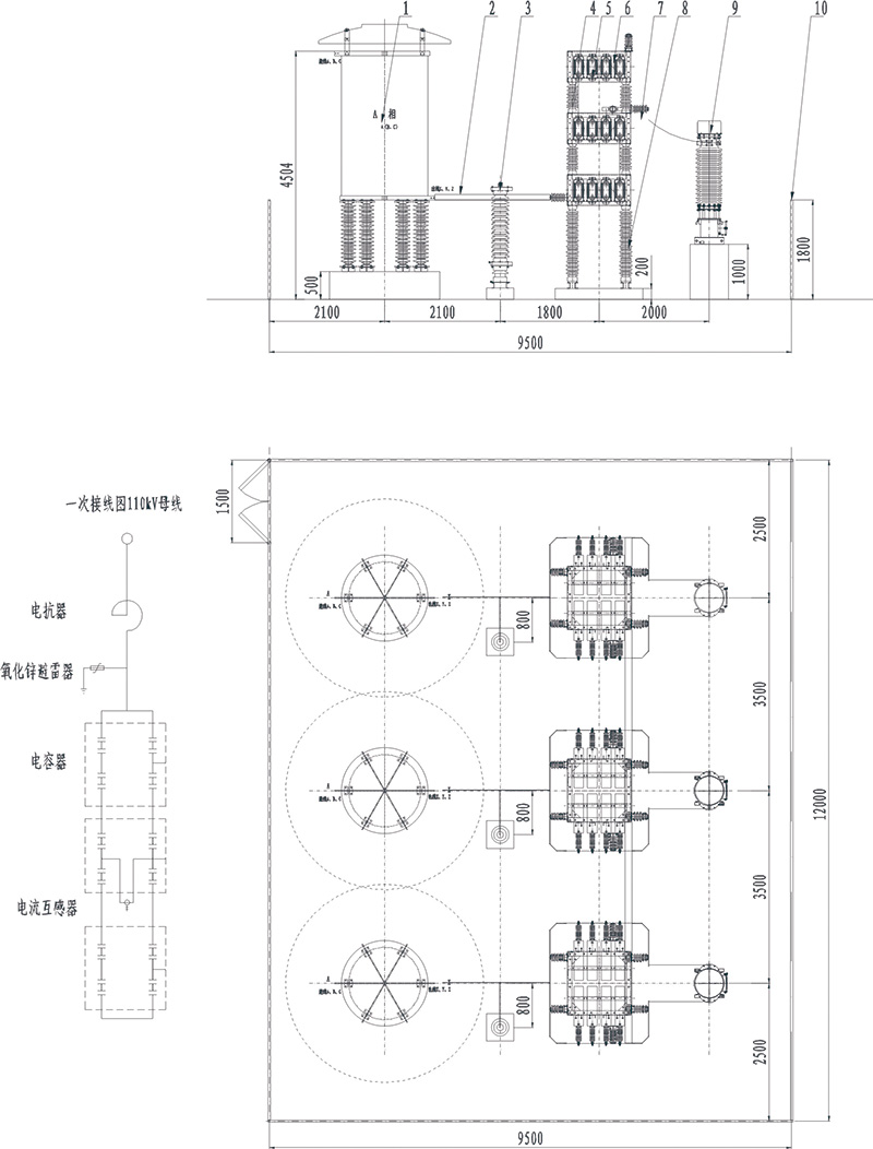
高压并联电容器装置主要分为分散式(构架式)高压并联电容器装置和密集型(集合式)高压并联电容器装置两种,其结构及特点如下所述:
分散式高压并联电容器装置由隔离开关(接地开关)、放电线圈、氧化锌避雷器、串联电抗器、高压并联电容器、电流互感器、喷逐式熔断器和母线、放电指示灯、组合柜体(构架)等组成。柜式装置一般情况下用于户内,组合构架式装置既可用于户内也可用于户外。装置设计时根据用户及场地需要,可做成双排并列、单排的单层、双层或三层结构,其具有容量调节灵活,装置安装维护方便,储油量少等特点。
密集型高压并联电容器装置主要由隔离开关(接地开关)、放电线圈、氧化锌避雷器、串联电抗器、集合式(密集型)并联电容器、母线和框架(根据需要可加设围栏)等组成。密集型高压并联电容器装置一般情况下用于户外,其运行不受环境和场地影响。集合式电容器具有全密封、免维护的优点。
调容式高压并联电容器装置又分为有载调容和无载调容两种型式。一般情况下,10kV及其以下电力系统用电容器装置可实现有载自动调容,装置通过检测母线电压和无功的情况,通过控制真空接触器(或真空开关)的投切,来实现有载自动调容,电容器组可根据变电站的要求来进行分组;无载调容又分为电动调容和手动调容两种,装置通过(集合式)电容器内置的电动或手动分接开关的不同档位分接或者通过隔离开关的不同组合投切,来实现无载手动调容。
1.装置的一次接线为单星型或双星型,对于66kV及其以下电力系统,电容器组的中性点不接地,其绝缘等级与电力系统的绝缘等级相同;110kV电容器组的中性点应直接有效接地。
2.装置能在1.10倍额定电压或电流方均根值为1.3倍电容器组额定电流下连续运行,过渡过程除外。由于实际电容最大可达1.15CN,故最大电流可达1.5IN。这些过电流因数是考虑到谐波和1.10UN的过电压共同作用的结果。
3. 装置的主要配套电器件均要符合下表的匹配关系。
|
系统标称电压kV |
6 |
10 |
20 |
35 |
66 |
110 |
|||||||||
|
装置额定电压kV |
6.3 |
10.5 |
21 |
37 |
69 |
115.5 |
|||||||||
|
额定电抗率 % |
≤0.5 |
5 |
12 |
≤0.5 |
5 |
12 |
≤1 |
5 |
12 |
≤0.5 |
5 |
12 |
5 |
12 |
12 |
|
电容器组相电压kV |
6.3/√3 |
6.6/√3 |
7.2/√3 |
10.5/√3 |
11/√3 |
12/√3 |
22/√3 |
23/√3 |
24/√3 |
22 |
38.5/√3 |
42/√3 |
42 |
46 |
76.21 |
|
电抗器额定端电压kV |
0.018 |
0.229 |
0.499 |
0.030 |
0.381 |
0.831 |
0.127 |
0.797 |
1.663 |
0.11 |
1.334 |
2.910 |
2.52 |
5.52 |
9.145 |
|
放电线圈额定电压kV |
6.3/√3 |
6.6/√3 |
7.2/√3 |
10.5/√3 |
11/√3 |
12/√3 |
22/√3 |
23/√3 |
24/√3 |
11×2 |
11.5×2 |
12×2 |
|
|
|
|
避雷器额定电压kV |
10 |
10 |
10 |
17 |
17 |
17 |
26/32 |
26/32 |
26/32 |
51/52.7 |
51/52.7 |
51/52.7 |
96 |
96 |
100 |
|
隔离开关额定电压kV |
10 |
10 |
10 |
10 |
10 |
10 |
20 |
20 |
20 |
35 |
35 |
35 |
66 |
66 |
110 |
3. 装置的装机额定容量为所有电容器额定容量之和,其电容值的偏差符合下述要求:
a) 对于电容器单元或每相只包含一个单元的电容器组其电容偏差为-5%~+15%;
b) 对于总容量在3Mvar及以下的电容器组,其电容偏差为-5%~+10%;
c) 对于总容量在3Mvar到30Mvar的电容器组,其电容偏差为0~+10%;
d) 对于总容量在30Mvar以上的电容器组,其电容偏差为0~+5%。
三相单元和三相电容器组中任意两线路端子之间测得的电容的最大值和最小值之比应不超过1.08。
5.装置的绝缘水平:
|
装置额定电压kV |
所属系统电压 (方均根值)kV |
一 次 系 统 |
二次系统 |
||
|
工频1分钟耐压试验(湿试/干试)kV |
雷电冲击耐压试验(1.2~5/50μS峰值)kV |
工频1分钟耐压试验kV |
|||
|
标称电压 |
最高电压 |
||||
|
3.15 |
3 |
3.5 |
18/25 |
40 |
2 |
|
6.3 |
6 |
6.9 |
23/30 |
60 |
2 |
|
10.5 |
10 |
11.5 |
30/42 |
75 |
2 |
|
15.7 |
15 |
17.5 |
40/55 |
105 |
2 |
|
21 |
20 |
23 |
50/65 |
125 |
2 |
|
37 |
35 |
40.5 |
80/95 |
185 |
2 |
|
69 |
66 |
72.5 |
140 |
325 |
2 |
|
115.5 |
110 |
126 |
185/200 |
450 |
2 |
注:二次系统的绝缘电阻不小于2MΩ。
6. 装置的安全净距(mm)见下表:
|
适 用 范 围 |
场所 |
电力系统额定电压kV |
|||||||||
|
0.5(二次) |
3 |
6 |
10 |
15 |
20 |
35 |
66 |
110J |
110 |
||
|
不同相的裸导体间 |
室内 |
4 |
75 |
100 |
125 |
150 |
180 |
300 |
550 |
900 |
1000 |
|
室外 |
|
200 |
200 |
200 |
300 |
300 |
400 |
650 |
1000 |
1100 |
|
|
带电裸导体至接地部分之间 |
室内 |
15 |
75 |
100 |
125 |
150 |
180 |
300 |
550 |
850 |
950 |
|
室外 |
|
200 |
200 |
200 |
300 |
300 |
400 |
650 |
900 |
1000 |
|
|
带电裸导体至板门及板状遮栏 |
室内 |
15 |
105 |
130 |
155 |
180 |
210 |
330 |
|
|
|
|
室外 |
|
|
|
|
|
|
|
|
|
|
|
|
带电裸导体至网门及网状遮栏 |
室内 |
50 |
175 |
200 |
225 |
250 |
280 |
400 |
650 |
950 |
1050 |
|
室外 |
|
300 |
300 |
300 |
400 |
400 |
500 |
750 |
1000 |
1100 |
|
|
无遮拦带电裸导体至地面高度 |
室内 |
|
2500 |
2500 |
2500 |
2500 |
2500 |
2600 |
2850 |
3150 |
3250 |
|
室外 |
|
2700 |
2700 |
2700 |
2800 |
2800 |
2900 |
3100 |
3400 |
3500 |
|
注:110J系指中性点有效接地电网。
7.装置的主要配套电器件的性能和参数见如下各条:
7.1断路器选型时,其额定电压符合电容器装置的额定电压要求,额定电流不小于1.5倍装置额定电流,切断容性电流不小于电容器组额定电流,遮断容量不小于该系统短路容量。电容器装置的投切开关十分重要,要求无重击穿,对三相不同期、弹跳和截流造成的过电压有严格要求。要求开关需通过投切容性负荷的型式试验,即采用电容器专用开关。对于35kV以上电容器用开关优先推荐使用SF6开关。
7.2隔离开关额定电压符合第3条规定,额定电流不小于1.5倍装置额定电流,作为接地的隔离开关或接地开关其额定电流可选择400A。
7.3串联电抗器的电抗率和型式的选择:
|
抑制项目 |
抑制合闸涌流 |
抑制5次以上高次谐波 |
抑制3次以上高次谐波 |
|
电抗率% |
0.1~1 |
4.5~5 |
12~13 |
注:装置为户内型时,宜选用铁心电抗器(无漏磁,占地面积小,损耗小),且电抗率一般不小于6%;
户外型装置一般选择空心电抗器(线性度好,全天候)。
其它额定值的电抗器可根据买方需要单独设计制造。
7.4放电线圈的规格及参数选择:
|
系统电压 kV |
相数 |
电抗率% |
额定一次电压kV |
额定二次电压 kV |
额定二次负荷VA |
额定放电容量Mvar |
3台可配三相电容器容量kvar |
|
6 |
1 |
6 |
6.6/√3 |
0.1或0.1/√3 |
100或50 |
1.7~2.5 |
5100~7500 |
|
1 |
12 |
7.2/√3 |
0.1或0.1/√3 |
100或50 |
1.7~2.5 |
5100~7500 |
|
|
10 |
1 |
6 |
11/√3 |
0.1或0.1/√3 |
100或50 |
1.7~4.0 |
5100~12000 |
|
1 |
12 |
12/√3 |
0.1或0.1/√3 |
100或50 |
1.7~4.0 |
5100~12000 |
|
|
20 |
1 |
1 |
22/√3 |
0.1或0.1/√3 |
100或50 |
1.7~4.0 |
5100~12000 |
|
1 |
6 |
23/√3 |
0.1或0.1/√3 |
100或50 |
1.7~4.0 |
5100~12000 |
|
|
1 |
12 |
24/√3 |
0.1或0.1/√3 |
100或50 |
1.7~4.0 |
5100~12000 |
|
|
35 |
1 |
6 |
11.5×2 |
0.1 |
100 |
5×2~10×2 |
30000~60000 |
|
1 |
12 |
12×2 |
0.1 |
100 |
5×2~10×2 |
30000~60000 |
放电线圈的额定放电容量不超过所并接的电容器组的额定容量时,应能使电容器组脱开电源后在5s时间内将电容器组上的剩余电压自额定电压的峰值降至50V以下。
带有二次绕组的放电线圈还可用作开口三角零序电压保护和电压差动保护。
对于110kV等非标电容器组用放电线圈,须根据装置的结构和容量另行选配,其放电性能须满足上述要求;110kV的电容器装置一般在电容器单元内部都装设了放电电阻,此时装置可以不设放电线圈,不过放电时间有所延长,应在断电15分钟之后方可进行其它操作!
7.5氧化锌避雷器(MOA)的选择
氧化锌避雷器常用的接线方式有三种:三避雷器相对地保护方式;四避雷器(3+1)相间、极间和中性点对地保护方式;四避雷器(3+1)相对地保护和中性点对地保护方式。根据国家电网公司印发的《预防电容器装置事故的技术措施》(高专网秘字[2003]第02号)要求,禁止使用四避雷器接线方式(三支星接一支接中性点),请用户斟酌选用!用于电容器组保护用的氧化锌避雷器须选用无间隙避雷器,其2ms方波通流容量与电容器组容量关系满足下表:
|
系统标称电压 kV |
电容器组额定端电压 kV |
电容器装置额定容量kvar |
MOA 2ms方波通流容量A |
|||
|
接线方式 |
||||||
|
Ⅰ型接线 |
Ⅱ型接线 |
Ⅲ型接线 |
||||
|
相-地 |
中性点-地 |
|||||
|
6 |
6.6/√3 |
1800 |
|
400 |
|
|
|
2400 |
|
|
|
|
||
|
3000 |
|
600 |
|
600 |
||
|
3600 |
|
800 |
|
|
||
|
4200 |
|
|
|
|
||
|
4800 |
|
1000 |
|
800 |
||
|
5400 |
|
|
|
|
||
|
6000 |
400 |
1200 |
400 |
1000 |
||
|
10 |
11/√3 12/√3 |
1800 |
|
|
|
400 |
|
2400 |
|
|
|
|
||
|
3000 |
|
|
|
|
||
|
3600 |
|
|
|
|
||
|
4200 |
|
|
|
600 |
||
|
4800 |
|
|
|
|
||
|
5400 |
|
|
|
|
||
|
6000 |
|
|
|
|
||
|
7000 |
400 |
800 |
400 |
800 |
||
|
8000 |
|
|
|
|
||
|
8400 |
|
1000 |
|
1000 |
||
|
9600 |
|
|
|
|
||
|
10000 |
|
1200 |
|
|
||
|
12000 |
600 |
1500 |
600 |
1500 |
||
|
35 |
22 |
10000 |
400 |
400 |
400 |
700 |
|
20000 |
600 |
800 |
600 |
1200 |
||
|
40000 |
900 |
1500 |
600 |
1500 |
||
|
60000 |
1200 |
2200 |
1200 |
2400 |
||
|
24 |
10000 |
400 |
400 |
400 |
600 |
|
|
20000 |
600 |
600 |
600 |
1000 |
||
|
40000 |
900 |
1000 |
900 |
1500 |
||
|
60000 |
1200 |
1500 |
1200 |
2200 |
||
|
66 |
42 |
20000 |
500 |
400 |
500 |
800 |
|
40000 |
800 |
800 |
800 |
1300 |
||
|
60000 |
1000 |
1000 |
1000 |
1800 |
||
注: 1.Ⅰ型接线方式为相对地保护;Ⅱ型接线方式为(3+1)相间、极间保护和中性点对地保护;Ⅲ型接线方式为(3+1)相对地保护和中性点对地保护。
2.选择大于表中电容器组容量的装置时,氧化锌避雷器的通流容量需重新计算。
3.其它电压等级的电容器组选配的氧化锌避雷器也必须满足相应的通流容量要求。
7.6高压并联电容器
7.6.1高压并联电容器的额定电压符合下表配套关系:
|
系统 额定电压 |
装置 额定电压 |
K=4.5~5% |
K=12~13% |
||
|
电容器组相电压 |
单台电容器额定电压 |
电容器组相电压 |
单台电容器额定电压 |
||
|
kV |
kV |
kV |
kV |
kV |
|
|
3 |
3.15 |
3.4/√3 |
3.4/√3 |
3.6/√3 |
3.6/√3 |
|
6 |
6.3 |
6.6/√3 |
6.6/√3 |
7.2/√3 |
7.2/√3 |
|
10 |
10.5 |
11/√3 |
11/√3 |
12/√3 |
12/√3 |
|
20 |
21 |
23/√3 |
23/√3 |
24/√3 |
24/√3 |
|
35 |
37 |
38.5/√3或23 |
38.5/√3或11.5 |
42/√3或24 |
42/√3或12 |
|
66 |
69 |
42 |
21 |
46 |
23 |
|
110 |
115.5 |
根据实际情况计算 |
根据实际情况计算 |
||
注:其它非标电容器的端电压也可根据计算确定。
7.6.2高压并联电容器也可根据实际需要,选择不同的电压等级和容量。
1. 订货时请注明装置的容量、型号、数量,并提供串联电抗器的电抗率、进线方式和房间(或场地)尺寸等数据;
2. 在某些网络中,网络的运行电压与标称电压相差很大,购买方应提供其详细情况,以便制造厂能为之留出适当的裕度。
3. 如须根据系统情况进行单独设计时,应提供用户电网的一次系统图及其参数。
4. 选型时优先考虑需方提供的数据,并可根据实际情况进行优化,如有特殊要求,可与供货商另行商定。






